- 雷達液位計料位計系列產品
- 壓力/液位/差壓/密度變送器
- 液位儀表系列
- 流量儀表系列
- 物位儀表系列
- 液位/溫度/壓力/流量-報警儀
- PLC/DCS自動化控制監控系統
- GPRS無線遠傳裝置
- 有紙/無紙記錄儀系列
- 溫度儀表系列
- 分析儀|檢測儀|校驗儀系列
全國銷售熱線:400-9280-163
電話:86 0517-86917118
傳真:86 0517-86899586
銷售經理:1560-1403-222 (丁經理)
??? ? ? ? 139-1518-1149 (袁經理)
業務QQ:2942808253 / 762657048
網址:http://m.ccsso.com.cn
電話:86 0517-86917118
傳真:86 0517-86899586
銷售經理:1560-1403-222 (丁經理)
??? ? ? ? 139-1518-1149 (袁經理)
業務QQ:2942808253 / 762657048
網址:http://m.ccsso.com.cn
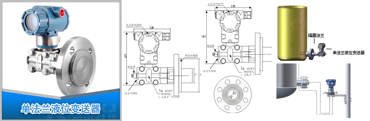
單法蘭液位變送器在測量密閉容器液位中改造方案說明
發表時間:2019-07-29 ??點擊次數:866? 技術支持:1560-1403-222
工業生產現場存在著大量的密閉容器,比如各種槽罐,在存放一些揮放性液體或腐蝕性液體介質時,就需要以閉密的方式加以儲存。測量密閉容器中液體液位的儀表有很多種類型,但也要根據不同測量現場才能加能確定,不能一概而論。基于差壓變送器的單法蘭液位變送器的液位測量就是其中一種重要的產品,差壓變送器在測量密閉容器中的液位時,往往需要在測量容器內部液體高度形成的壓力,也同時需要承受容器內氣相壓力的作用。因此需要把容器上部引出的氣相壓力和下面取壓點的壓力進行比較, 才能測出液體的真實液位。不過此時就產生了一個負壓側配管問題需要解決。

在實際的生產實踐中, 雙法蘭液位計的拆裝、調校費人費時, 且易損壞毛細管; 同時, 此變送器價格較貴。故此我廠在新設計或技術改造中都使用單法蘭式液位變送器(就是單法蘭差壓變送器)來測量密閉器中的液位。因而在負壓側配管方面有了一點認識。
我廠原有的負壓側配管方法有兩種( 見圖1和圖2 )。圖1是屬負壓室保持千燥的測量方法, 常用在貯較低沸點的物料( 如甲醇, 沸點為64.45 ℃ ) 槽上。

在圖1 的測量方法中, 由于負壓室取壓管a b 段為水平安裝, 當夏季工藝生產提高, 或是環境溫度升高, 尾氣冷凝器冷凝效果不好時, 槽內大量汽體產生的冷凝液會在尾氣管中冷凝后順著尾氣管( 液體的附壁性) 經過負壓室導壓管a b 段流入儲液筒, 造成負壓室滿液。因此槽均有玻璃管液位計監視不屬液體滿槽造成。此負壓室滿液現象夏天高溫季節多發生(冬季無此現象)。有一段時間,我廠回收工段的H 5 1 0和H 5 12 二位號變送器的負壓室經常滿液, 使變送器根本無法工作。后來我、們將負壓室導壓管a b 段改水平安裝為a b段與水平線成5 一10°的角度上翹(如圖3 所示) 當然此角度可根據工藝現場及其安裝要求和美觀狀況而有變化。總之, 將水平導壓管a b 段上翹一定角度后, 即解決了高溫季節此二位號單法蘭液位變送器無法工作的狀況。通過三個多月的高溫季節生產證明, 此法簡單易行, 滿足了工藝生產需要。

圖2 的負壓室取壓裝置我廠常用在貯較高沸點( 如醋酸, 沸點118 ℃ ) 物料槽上。由于原設計均為金屬構件, 冷凝罐灌滿了冷凝液( 工藝不允許灌硅油) , 用負遷移的辦法來測量液位。但這種辦法, 夏天高溫季節易使負壓側冷凝液氣化蒸發, 造成液位指示偏高, 嚴重時自扎位號變送器誤動作, 造成工藝停車事故。由于氣化蒸發過快時, 負壓寶均為金屬構件, 不易發現負壓室冷凝液減少的情況, 因而在不能得到及時補充的時候, 會使變送器誤動作, 使槽子液體抽空、造成工藝停車事故。我廠合成工段的H 106t一J T 自控儀表位號曾山于上述原因使合成工段I 列停車, 造成很大損失。為解決高溫季節出現此問題, 筆者將該類位號變送器的原金屬冷凝罐改為透明可見的玻璃視鐘式冷凝罐, 便于在變送器運行時觀察冷凝液的氣化蒸發情況, 隨時補充。
據我們統計, 該類位號變送器在七、八、九三個高溫月中, 大約7 一15 天就要灌一次冷凝液。而冬季兒乎無須補加冷凝液。通過半年特別是高溫季節的生產考驗, 證明效果好, 消滅了槽子抽空事故, 保證了工藝生產。
上一條:浮標液位計的工作原理與結構及如何實現液位信號的遠傳輸出
下一條:讀懂液位計、流量計等所有自動化儀表種類只需要一張圖
- 相關文章
-
- 雷達液位計的作用 【2025-11-18】
- 雷達液位計使用注意事項 【2025-11-18】
- 雷達液位計安裝注意事項全解析 【2025-11-14】
- 雷達液位計工作原理及相關說明 【2025-11-14】
- 磁致伸縮液位變送器定制 【2023-12-27】
- 孔板流量計作為主蒸汽流量計在應用時的故障處理分析 【2017-08-03】
- 壓力液位變送器維修 【2024-01-08】
- 雙法寶差壓液位變送器 【2023-12-27】
- 國內未來的液體流量計產業發展潛力巨大 【2014-11-12】
- 法蘭液位變送器作用 【2023-12-30】








